◀
▶
三相隔离变压器
- 品牌:赛格迩
- 型号:SKSGG系列
- 分类:
- 特点:具有抗干扰、去谐波、节能、安全可靠
- 材质:
- 应用范围:CNC数控机床、进口机械设备、印刷设备、自动化设备、测试老化、隧道、工矿、铁路、建筑、照明、船舶、 码头、医疗设备、或需要安全隔离的用电场所及设备等
立即咨询
13537555513
13537555513产品概述:
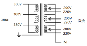
SKSGG系列隔离变压器适应于生产1KVA - 1500KVA之间功率的变压器,隔离变压器初接绕组与次接绕组分为两个完全隔离断开的绕组,绕组中心层加绕铜箔,具有抗干扰、去谐波、节能、安全可靠。作为降压变压器时,次接绕组匝数少于初接匝数实现降压,作为升压变压器时,次接绕组匝数多于初接匝数实现升压。
适用场所:
CNC数控机床、进口机械设备、印刷设备、自动化设备、测试老化、隧道、工矿、铁路、建筑、照明、船舶、 码头、医疗设备、或需要安全隔离的用电场所及设备等。
技术参数:
◆产品容量:1KVA~1600KVA
◆输入电压:380V 415V (可根据客户要求定制)
◆输出电压:200V 220V 380V(可根据客户要求定制)
◆频 率:50Hz~60Hz
◆相 数:3相
◆效 率:>98%
◆绝缘等级:F级
◆波形失真:无附加波形失真
◆抗电强度:3000V/1min
◆抗电强度:3000V/2min
◆抗电强度:3000V/3min
◆抗电强度:3000V/4min
◆抗电强度:3000V/5min
◆绕组方式:△/△、 Dyn11、Y/Y等
隔离变压器原理图

| 外形尺寸(仅供参考) | ||||||||
| 型 号 / 规 格 | 裸 机 尺 寸 | 型 号 / 规 格 | 带 外 箱 尺 寸 | 重 量 | ||||
| (VA) | 宽 mm | 深 mm | 高 mm | (VA) | 宽 mm | 深 mm | 高 mm | (Kg) |
| SKSGG-1KVA | 183 | 130 | 165 | SKSGG-1KVA | 190 | 170 | 200 | 16 |
| SKSGG-2KVA | 230 | 138 | 195 | SKSGG-2KVA | 300 | 260 | 250 | 25 |
| SKSGG-3KVA | 230 | 150 | 195 | SKSGG-3KVA | 36 | |||
| SKSGG-5KVA | 310 | 280 | 270 | SKSGG-5KVA | 400 | 350 | 350 | 62 |
| SKSGG-8KVA | 360 | 280 | 350 | SKSGG-8KVA | 480 | 380 | 420 | 100 |
| SKSGG-10KVA | 360 | 300 | 350 | SKSGG-10KVA | 115 | |||
| SKSGG-15KVA | 360 | 320 | 350 | SKSGG-15KVA | 550 | 380 | 460 | 140 |
| SKSGG-20KVA | 430 | 300 | 410 | SKSGG-20KVA | 200 | |||
| SKSGG-25KVA | 430 | 315 | 410 | SKSGG-25KVA | 220 | |||
| SKSGG-30KVA | 430 | 330 | 410 | SKSGG-30KVA | 240 | |||
| SKSGG-40KVA | 480 | 340 | 460 | SKSGG-40KVA | 680 | 480 | 600 | 280 |
| SKSGG-50KVA | 480 | 380 | 470 | SKSGG-50KVA | 320 | |||
| SKSGG-60KVA | 480 | 380 | 470 | SKSGG-60KVA | 360 | |||
| SKSGG-80KVA | 820 | 430 | 780 | SKSGG-80KVA | 1100 | 600 | 1050 | 480 |
| SKSGG-100KVA | 850 | 450 | 830 | SKSGG-100KVA | 570 | |||
| SKSGG-120KVA | 900 | 450 | 900 | SKSGG-120KVA | 680 | |||
| SKSGG-150KVA | 950 | 500 | 900 | SKSGG-150KVA | 1300 | 800 | 1200 | 750 |
| SKSGG-200KVA | 960 | 500 | 950 | SKSGG-200KVA | 1000 | |||
| SKSGG-250KVA | 1000 | 550 | 980 | SKSGG-250KVA | 1200 | |||
| SKSGG-300KVA | 1050 | 550 | 1100 | SKSGG-300KVA | 1500 | 860 | 1450 | 1500 |
| SKSGG-400KVA | 1100 | 600 | 1200 | SKSGG-400KVA | 2200 | |||
| SKSGG-500KVA | 1200 | 650 | 1200 | SKSGG-500KVA | 2700 | |||
| 产品不断更新,以实物为准,详细参数来电咨询。 | ||||||||





